





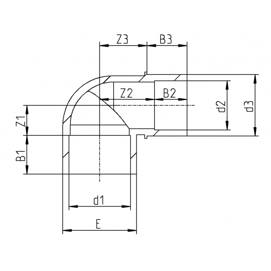
PVC-U KOLENO 90° REDUKCIJSKO
4,03€
Brez DDV: 3,30€
- Dobavljivo: Na zalogi
- Šifra: 7131
- UPC: 6793
Najnižja cena zanjih 30 dni: od 4,03€
Razpoložljive možnosti
PVC-U koleno 90°, na eni strani se lepi na cev, na drugi strani v fiting. Max delovna temperatura 60°C.
PVC-C je bolje uporabiti pri višji delovni temperaturi, material je primeren za transport tople vode. Po drugi strani je PVC-U primeren za pretok baz, šibkih kislin in soli, klora, pitne in demineralizirane vode.
Tehnične lastnosti:
- zasnovano za uporabo za vodo in temperaturo do 60 °C
- ISO 727, DIN EN ISO 1452, DIN EN ISO 15493, ISO 7-1
- lepljeni spoji morajo biti v skladu z DVS 2204- 4
- PVC-C material je predviden za suhe montaže (lepljenje s pomočjo čistil in lepil Tangit)



